Àüµ¿·Ñ½ºÅ©¸°
Àüµ¿¿ìµå
Àüµ¿º£³×½Ã¾È
Àüµ¿Ä¿ÅÙ(ÁÂ/¿ì)
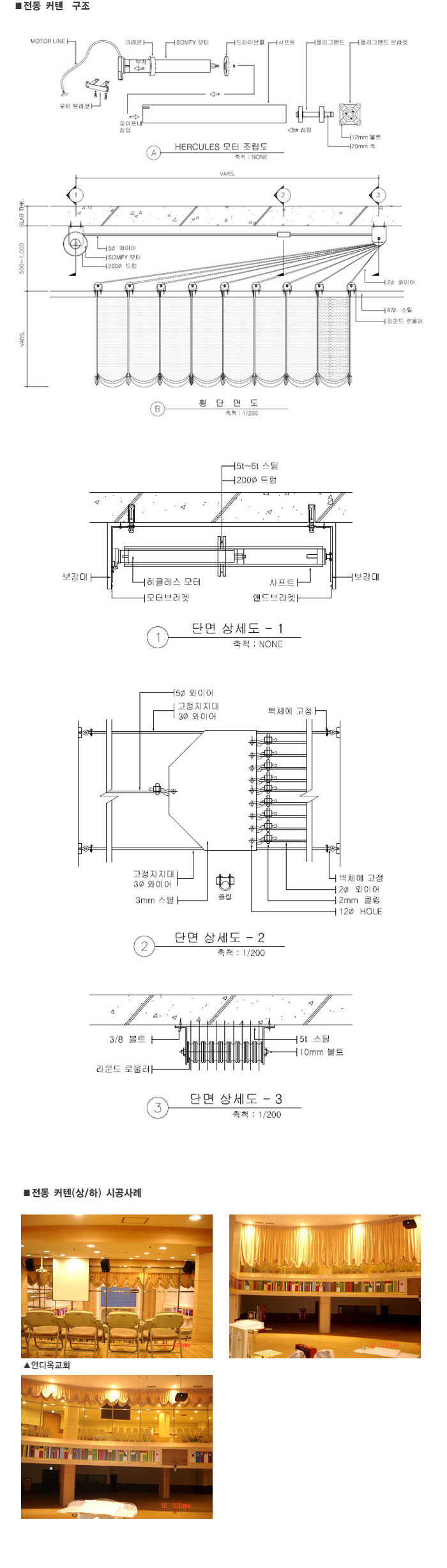
Àüµ¿Ä¿ÅÙ(»ó/ÇÏ)
Àüµ¿¹ÙÅÙ(ÇÁ·©Ä«µå)
Àüµ¿Çã´ÏÄÄ
Àüµ¿Çø®Æ¼µå
Àüµ¿¿µ»ç½ºÅ©¸°
Àüµ¿¿¤¸®º£À̼Ç
Àüµ¿Æ®¸®Çý¦À̵å
Àüµ¿¾î´×
Àüµ¿FTS
±â´É¼º½ÅÁ¦Ç°(¼öµ¿/Àüµ¿)